WENZHOU PROM TRADING CO.,LTD.

  • 1
  • 4
связаться с нами

WENZHOU PROM TRADING CO.,LTD.

Контакты:Люси Го

Телефон/Wechat/Watsapp:+86 15990723109

E-mail: promtrading@sina.com

Skype:lucysolac

Юридический адресКНР, Чжэцзян, г. Вэньчжоу, Демонстрационная зона развития морской экономики Вэньчжоу, улица Куньпэн, Нисянънаньлу, №81

Фактический адрес(адрес офиса и фабрики):КНР, провинция Чжэцзян, г. Вэньчжоу, район Лунвань, Бинхай промышленный район

1444811020139586.jpg

Механический редуктор к затворам

Редуктор четвертьоборотный
: Механический редуктор к затворам
: 423

Серия QDX3-S

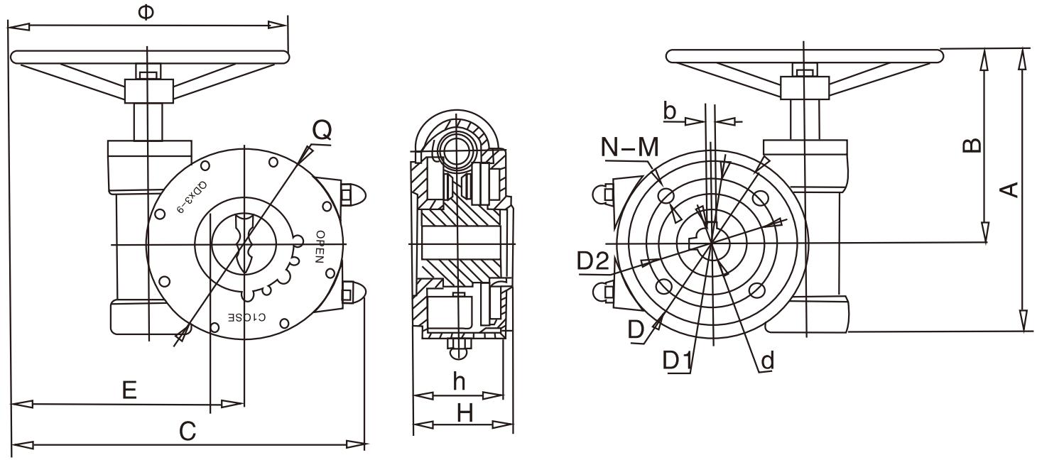
Ручное устройство для частичного поворота запорной арматуры

Эта серия представляет собой приводное устройство на 90°, которое подходит для шаровых кранов, затворов дисковых, пробковых кранов и других типов запорной арматуры. Редукторы этой серии подходят для широкого спектра условий эксплуатации, обладают широкими функциональными возможностями и различными формами (включая тип маховика, тип маховика с замком, тип звездочки и т.д.), а специальные типы могут поворачиваться на 360 градусов. Существует 9 моделей изделий.  

 

Технические параметры

Модель

0#

1#

2#

3#

4#

5#

6#

7#

7B#

8#

9#

Передаточное число

33:1

40:1

47:1

41:1

50:1

47:1

55:1

55:1

54:1

57:1

52:1

Входной крутящий момент, Н.м

30

40

55

65

75

85

100

110

120

140

150

Выходной крутящий момент, Н.м

317

510

750

880

1240

1570

1800

1960

2300

2750

3220

Регулировка предела

± 5°

± 5°

± 5°

± 5°

± 5°

± 5°

± 5°

± 5°

± 5°

± 5°

± 5°

Для затвора DN

50~65

80~100

125

150

200

250

300

350

400

450~500

500~600

Для шарового крана DN

 

50

65

80

100

125

150

200

250

250~300

350

Присоединительные размеры

Внешний диаметр фланец, D

90

100

125

125

160

160

175

210

230

260

300

Межцентровое расстояние, D1

70

80

100

100

135

135

140

170

200

220

254

220

Впадина фланца, D2

По требованию заказчика

Кол-во и диаметр отверстия, N–M

4~M8

4~M8

4~M10

4~M12

4~M12

4~M12

4~M16

4~M16

4~M18

8~M16

8~M18

Стандартный диаметр вала, d

14

18

22

24

28

34

36

45

52

55

70

Дополнительный диамтер вала, d

16~18

16~20

20~24

28

34

38

32~38

38~48

60

65

60~70

Размер и кол-во плоского штифта, b

5x1

6x1

6x1

6x1

8x1

8x1

10x1

12x2

14x2

16x2

18x2

Строительная высота, h

40

44

52

58

65

68

73

80

93

100

117

Размер маховика, Φ

Φ140

Φ160

Φ200

Φ230

Φ250

Φ300

Φ300

Φ350

Φ350

Φ400

Φ450

Габаритные размеры

A

155

162

190

235

245

272

302

370

395

415

480

B

105

105

130

155

160

180

195

210

260

270

300

C

160

190

230

265

295

335

377

445

465

510

565

E

105

124

160

180

200

223

255

300

310

335

385

H

60

64

73

78

86

88

93

105

118

125

142

Внешний диаметр корпуса, Q

Φ100

Φ110

Φ130

Φ150

Φ170

Φ190

Φ210

Φ250

Φ270

Φ300

Φ345

:
 
:
 *
:
 *
:
 
:
 *
:
   *